100 FORM TYPEN-PLATTE BY EDWARD THUM OF LIEPZIG:
c. FOURTH QUARTER 19TH CENTURY
EDWARD THUM

DESCRIPTION
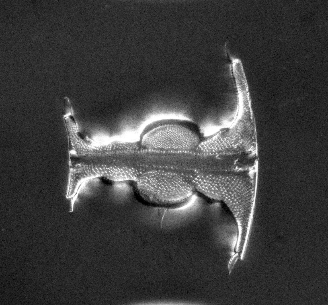
This is an example of a type slide (in German, Typen-Platte). It is a one-hundred-form example mounted in styrene. It is in fantastic condition except for some bubbling of the mountant, but this does not extend into the field of the specimens which are exquisite.
HISTORY
Edward Thum was one of the best, and perhaps the greatest of the diatom mounters. Originally an instrument maker, at age 28 he turned most of his attention to mounting, and formed the Institut fur Mikroscopie in Leipzig, Germany in the fourth quarter of the 19th century. He merged with another company about 1906 but continued to mount until his death in 1926.
His specimens are beautifully mounted and valuable. He mounted both in Styrene and in Monobromonaphthalene, the latter perhaps less satisfactory for long-term preservation.